| Unidad de dimensiones : mm | ||||||||||||||
| Clasificación | TAMAÑO | φd | L | H | Brida FF | φW | Peso (kg) | |||||||
| φD | φC | el | n—φh | |||||||||||
| 5K F7301 F7351 | 15A | 15 | 100 | 130 | 80 | 60 | 9 | 4-12 | 80 | 2.02/1.96 | ||||
| 20A | 20 | 110 | 140 | 85 | 65 | 10 | 4-12 | 100 | 2,86/2,77 | |||||
| 25A | 25 | 120 | 160 | 95 | 75 | 10 | 4-12 | 125 | 3.54/3.41 | |||||
| 32A | 32 | 140 | 170 | 115 | 90 | 12 | 4-15 | 125 | 5.0/4.86 | |||||
| 40A | 40 | 160 | 190 | 120 | 95 | 12 | 4-15 | 140 | 6.48/6.30 | |||||
| 50A | 50 | 210 | 235 | 130 | 105 | 14 | 4-15 | 140 | 11.7 | |||||
| 65A | 65 | 250 | 260 | 155 | 130 | 14 | 4-15 | 160 | 17.0 | |||||
| 16K F7303 F7409 | 15A | 15 | 110 | 130 | 95 | 70 | 12 | 4-15 | 80 | 2,76/2,70 | ||||
| 20A | 20 | 120 | 140 | 100 | 75 | 14 | 4-15 | 100 | 3,72/3,63 | |||||
| 25A | 25 | 130 | 160 | 125 | 90 | 14 | 4-19 | 125 | 5.20/5.09 | |||||
| 32A | 32 | 160 | 170 | 135 | 100 | 16 | 4-19 | 125 | 6,91/6,77 | |||||
| 40A | 40 | 180 | 190 | 140 | 105 | 16 | 4-19 | 140 | 8.43/8.25 | |||||
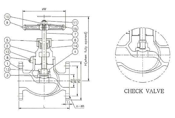
| Lista de materiales | ||||
| NO. | Regiones | Material | ||
| 1 | Cuerpo | CAC406(BC6) | ||
| 2 | Capó | C3771 | ||
| 3 | Desct | C3771 | ||
| 4 | Tuerca de disco | C3604 | ||
| 5 | Prensaestopas | C3604 | ||
| 6 | Tuerca del prensaestopas | C3604 | ||
| 7 | Provenir | C3771 | ||
| 8 | Tornillo de fijación | SUS304 | ||
| 9 | Volante | FC200 | ||
| 10 | Tuerca hexagonal | C3604 | ||
| 11 | Pasador partido | C2600 | ||
| 12 | Placa de bloqueo | C2600 | ||
| 13 | Arandela de seguridad de disco | C2600 | ||
| 14 | Embalaje | GRAFITO | ||
| 15 | Placa de identificación | C2801 o SUS304 | ||
| Unidad de presión de prueba hidráulica : kgf/c m² | |||||||||||
| Clasificación | 5 | 16 | |||||||||
| Caparazón | 10.5 | 33 | |||||||||
| Asiento | 7.7 | 24.2 | |||||||||
| Unidad de presión máxima de trabajo: kgf/cm² | ||||||||
| Clasificación del estado del fluido | 5 | 16 | ||||||
| Vapor hasta 205℃ | 5 | 16 | ||||||
| Aire, gas, petróleo y agua pulsante. | ||||||||
| Agua sin choque | 7 | 22 | ||||||
No. 7, inside No. 345, Linfu West Street, Yingdong Village, Beian Sub-district Office, Jimo District, Qingdao City, Shandong Province