| Unidad de dimensiones : mm | |||||||||||||
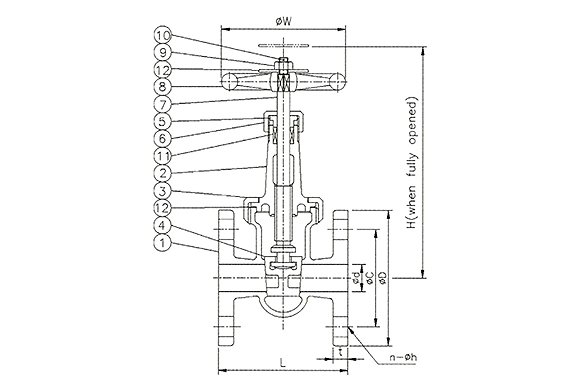
| Clasificación | TAMAÑO | φd | L | H | Brida FF | φW | Peso (kg) | ||||||
| φD | φC | el | n—φh | ||||||||||
| 5K F7367 | 15A | 15 | 90 | 175 | 80 | 60 | 9 | 4-12 | 80 | 2.29 | |||
| 20A | 20 | 100 | 200 | 85 | 65 | 10 | 4-12 | 80 | 2.98 | ||||
| 25A | 25 | 110 | 220 | 95 | 75 | 10 | 4-12 | 100 | 4.10 | ||||
| 32A | 32 | 130 | 250 | 115 | 90 | 12 | 4-15 | 100 | 5.79 | ||||
| 40A | 40 | 140 | 290 | 120 | 95 | 12 | 4-15 | 125 | 7.78 | ||||
| 10K F7368 | 15A | 15 | 100 | 175 | 95 | 70 | 12 | 4-15 | 80 | 2.96 | |||
| 20A | 20 | 110 | 200 | 100 | 75 | 14 | 4-15 | 80 | 3.89 | ||||
| 25A | 25 | 120 | 220 | 125 | 90 | 14 | 4-19 | 100 | 5.82 | ||||
| 32A | 32 | 140 | 250 | 135 | 100 | 16 | 4-19 | 100 | 7.52 | ||||
| 40A | 40 | 150 | 290 | 140 | 105 | 16 | 4-19 | 125 | 9.71 | ||||
| Lista de materiales | |||
| NO. | Regiones | Material | |
| 1 | Cuerpo | CAC406(BC6) | |
| 2 | Capó | CAC406(BC6) | |
| 3 | Desct | CAC406(BC6) | |
| 4 | Tuerca de disco | CAC406(BC6) | |
| 5 | Prensaestopas | C3604 | |
| 6 | Tuerca del prensaestopas | C3604 | |
| 7 | Provenir | C3771 | |
| 8 | Volante | FC200 | |
| 9 | Tuerca hexagonal | C3604 | |
| 10 | Pasador partido | C2600 | |
| 11 | Embalaje | GRAFITO | |
| 12 | Placa de identificación | C2801 o SUS304 | |
| Unidad de presión de prueba hidráulica : kgf/c m² | |||||||||
| Clasificación | 5 | 10 | |||||||
| Caparazón | 10.5 | 21.0 | |||||||
| Asiento | 7.7 | 15.4 | |||||||
| Unidad de presión máxima de trabajo: kgf/cm² | ||||||||
| Clasificación del estado del fluido | 5 | 10 | ||||||
| Vapor | 2 | 2 | ||||||
| Aceite y agua de pulsación | 5 | 10 | ||||||
| Agua sin choque de 120 ℃ o menos | 7 | 14 | ||||||
No. 7, inside No. 345, Linfu West Street, Yingdong Village, Beian Sub-district Office, Jimo District, Qingdao City, Shandong Province