| Unidad de dimensiones: mm | ||||||||||||||
| Clasificación | TAMAÑO | φd | L | H | Brida RF | φW | ||||||||
| φD | φC | el | n-φh | |||||||||||
| 5K | 50A | 50 | 180 | 285 | 130 | 105 | 16 | 4-15 | 125 | |||||
| 65A | 65 | 190 | 330 | 155 | 130 | 18 | 4-15 | 140 | ||||||
| 80A | 80 | 200 | 380 | 180 | 145 | 18 | 4-19 | 160 | ||||||
| 100A | 100 | 230 | 430 | 200 | 165 | 20 | 8-19 | 180 | ||||||
| 125A | 125 | 250 | 495 | 235 | 200 | 20 | 8-19 | 200 | ||||||
| 150A | 150 | 270 | 560 | 265 | 230 | 22 | 8-19 | 224 | ||||||
| 200A | 200 | 290 | 680 | 320 | 280 | 24 | 8-23 | 280 | ||||||
| 250A | 250 | 330 | 800 | 385 | 345 | 26 | 12-23 | 355 | ||||||
| 300A | 300 | 370 | 920 | 430 | 390 | 28 | 12-23 | 400 | ||||||
| 350A | 335 | 410 | 1000 | 480 | 435 | 30 | 12-25 | 450 | ||||||
| 400A | 380 | 470 | 1100 | 540 | 495 | 30 | 16-25 | 500 | ||||||
| 10K | 50A | 50 | 200 | 300 | 155 | 120 | 20 | 4-19 | 140 | |||||
| 65A | 65 | 220 | 350 | 175 | 140 | 22 | 4-19 | 160 | ||||||
| 80A | 80 | 230 | 400 | 185 | 150 | 22 | 8-19 | 180 | ||||||
| 100A | 100 | 250 | 450 | 210 | 175 | 24 | 8-19 | 200 | ||||||
| 125A | 125 | 270 | 520 | 250 | 210 | 24 | 8-23 | 224 | ||||||
| 150A | 150 | 290 | 580 | 280 | 240 | 26 | 8-23 | 250 | ||||||
| 200A | 200 | 320 | 700 | 330 | 290 | 26 | 12-23 | 315 | ||||||
| 250A | 250 | 380 | 840 | 400 | 355 | 30 | 12-25 | 400 | ||||||
| 300A | 300 | 440 | 960 | 445 | 400 | 32 | 16-25 | 450 | ||||||
| 350A | 335 | 500 | 1050 | 490 | 445 | 34 | 16-25 | 500 | ||||||
| 400A | 380 | 590 | 1150 | 560 | 510 | 36 | 16-27 | 560 | ||||||
| 450A | 430 | 640 | uno | 620 | 565 | 38 | 20-27 | uno | ||||||
| 500A | 480 | 710 | uno | 675 | 620 | 40 | 20-27 | uno | ||||||
| 550A | 530 | 780 | uno | 745 | 680 | 42 | 20-33 | uno | ||||||
| 600A | 580 | 850 | uno | 795 | 730 | 44 | 24-33 | |||||||
| 16K | 300A | 300 | 490 | 1010 | 480 | 430 | 36 | 16-27 | 560 | |||||
| 350A | 335 | 540 | 1070 | 540 | 480 | 38 | 16-33 | 560 | ||||||
| 400A | 380 | 610 | 1185 | 605 | 540 | 42 | 16-33 | 630 | ||||||
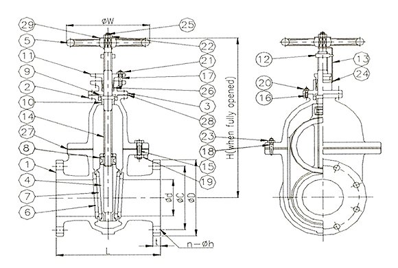
| Lista de materiales | |||
| NO. | Regiones | Material | |
1 | Cuerpo | FC200 | |
| 2 | Capó | FC200 | |
| 3 | Caja de empaquetadura | FC200 | |
| 4 | Desct | FC200 | |
| 5 | Volante | FC200 | |
| 6 | Asiento de válvula del cuerpo | SCS13 | |
| 7 | Asiento de válvula de disco | SCS13 | |
| 8 | Pieza atornillada | CAC406(BC6) | |
| 9 | Casquillo guía | CAC406(BC6) | |
| 10 | Casquillo guía | CAC406(BC6) | |
| 11 | Prensaestopas | CAC406(BC6) | |
| 12 | Indicador | CAC406(BC6) | |
| 13 | Placa indicadora | C2801 | |
| 14 | Provenir | SUS403 | |
| 15 | Perno prisionero Perno de cabeza hexagonal | SS400 | |
| 16 | Perno prisionero | SS400 | |
| 17 | Perno prisionero | SS400 | |
| 18 | Pasador cónico con rosca | SUS403 | |
| 19 | Tuerca hexagonal | SS400 | |
| 20 | Tuerca hexagonal | SS400 | |
| 21 | Tuerca hexagonal | SS400 | |
| 22 | Tuerca hexagonal | C3604 | |
| 23 | Tuerca hexagonal | SS400 | |
| 24 | Tornillo de máquina | C2700 | |
| 25 | Pasador partido | C2600 | |
| 26 | Embalaje | GRAFITO | |
| 27 | Empaquetadora | SIN AMIANTO | |
| 28 | Empaquetadora | SIN AMIANTO | |
| 29 | Placa de identificación | C2801 | |
| Unidad de presión de prueba hidráulica : kgf/cm² | ||||||||||||||
| Clasificación | 5 | 10 | 16 | |||||||||||
| Diámetro nominal | 400 A o menos | 450A a 600A | 400 A o menos | 450A a 600A | ||||||||||
| Inspección hidráulica de la carrocería | 10.5 | 7.5 | 21 | 18 | 24 | |||||||||
| Inspección de estanqueidad del asiento de la válvula | 7.7 | 5.5 | 15.4 | 13.2 | 17.6 | |||||||||
No. 7, inside No. 345, Linfu West Street, Yingdong Village, Beian Sub-district Office, Jimo District, Qingdao City, Shandong Province